.... Electrical Delays ....
                         



DISCLAIMER: The following file contains information of harmful or illegal
            nature. Neither the BBS or author providing this information
            can be considered responsible for the use of this file.
            The person using this knowledge is solely responsible for 
            it's use or misuse. This file is intended to educate only.
            

        To produce delays in the ignition or detonation of pyrotechnic
devices, chemical, electrical, and mechanical devices can be used. In the
chemical family there are various ways to cause a delay. The foremost is
probably sulfuric acid and a chlorate. The chlorate is mixed with a combus-
tible substance and a rubber balloon filled with sulfuric acid is placed in
the chlorate mixture. Depending on the thickness of the balloon and the 
ambient temperature, the acid will eat through the balloon in anywhere from
5 mins. to 3 hrs. When the acid contacts the chlorate mix, the mix will catch
fire. There are other reactions such as silver nitrate/magnesium and water,
potassium permanganate and glycerin, and sodium peroxide/sawdust and water.
Mechanical delays are usually a clockwork device that releases a spring
powered firing pin to detonate a primer. The clockwork can also be used to
close an electrical circuit to set off a detonator.

                                  
In the electrical family there are many ways to make a delayed ignitor. One
way which is an electrochemical reaction is to make a delayed battery. This
device uses a dry battery consisting of alternate pieces of zinc and copper
sheet metal. This is a battery which only needs an electrolyte to cause a
current to flow. If you use sulfuric acid as the electrolyte, you can arrange
a barrier to keep the acid from the battery. When the acid eats through the
barrier and wets the battery a current will flow which can be used to set off
a detonator. Each cell (one set of copper/zinc) will produce about 1.5 v.
You will have to make sure that there is enough surface area in each cell to
provide enough current (amperage) to trigger the detonator. Any number of 
cells can be wired in parallel to produce enough amps. The problem with this
delayed battery is it is temperature sensitive. The acid will eat through
the barrier faster on a hot day than on a cold day.

                                
A long delay device can be made from a simple relay and a few batteries.
Wire up a relay to a battery to hold the normally closed contacts open. A
second set of batteries is then wired to these contacts to supply current for
a detonator. Since the first set of batteries are holding the contacts open,
no current flows through the detonator. As soon as the first set of batteries
loose enough power, the contacts will close and the firing circuit will be
complete, firing the detonator. An optional resistor can be used to limit the
current to the relay thus lengthening the delay a bit. Enough current must be
supplied however to operate the relay. This delay will be found to be sensi-
tive to shock and vibration as the contacts can be closed prematurely if the
relay case is tapped too hard. Insert a safety switch in the detonator side
of the circuit to be thrown after the power to the relay is applied.

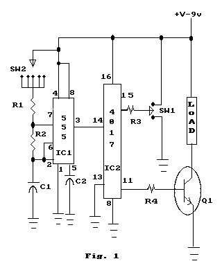
                                Fig. 1
This is an electronic delay that can be tailor made for delays from a few
seconds to a couple of hours. It consists of a 555 IC Timer wired in an
astable mode to provide clock pulses to a CMOS 4017 Decade Counter/Divider.
A 555 can be made to provide delays of about 20 mins. after that the sizes 
of the timing capacitor and resistor gets a little large. The 4017 will
count these pulses and can be used to lengthen the delay. 
     Parts list
    ------------
R1 --- this is actually a multi-pole switch wired with a number of different
            resistors so you can dial in the delay you want    
R2 --- 1K ohm 5%
R3 --- 440 ohm 5%
C1 --- Timing capacitor - Pick a capacitor to suit the delay you want.
                          Typical values are 100 ufd. to 200 ufd.
C2 --- .001 ufd.
Q1 --- 2N222 npn - If your load needs more power wire a power transistor
                   as a darlington pair.
IC1 --- 555 IC timer - A CMOS type is available if you want to cut the power
                       requirements.
IC2 --- 4017 CMOS Decade Counter
SW1 --- SPDT switch
Breadboard this circuit to understand how it works. That way you can plug in
different values for the timing circuit to give you the range of delays you
may want. To use the timer, make sure sw1 is holding pin 15 of IC2 to Vcc.
This makes sure the counter is reset. Apply power to the timer then throw
sw1 to put pin 15 at ground potential. Depending on the delay you want, take
the delay off pins 1 - 12 of IC2. The schematic shows pin 11 as being used.
When you have adjusted the timer components to give you the delay range you
want, layout a pc board and mount the components to suit.

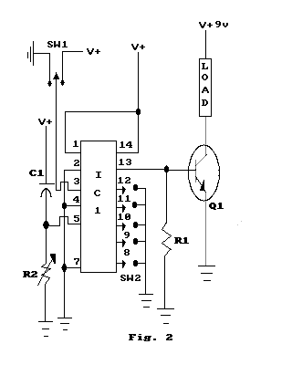
                              Fig. 2
A new programmable timer chip has been released. This chip uses less power
and parts than the 555/4017 device. The chip can be found in Radio Shack for
about $3.00. It is a LS7210 programmable digital delay timer. By varying a
resistor/capacitor combination you alter an internal oscillator and set a
fundamental delay period or LSB. Then by putting any combination of 5 pins
low, you can choose the delay to be LSB, LSB+2, LSB+1, LSB+3, or MSB. With
LSB at 1 min. the timer can be made to give delays of 1, 2, 4, 8, or 16 mins.
By seting pin 8 (16) and pin 11 (2) low, the timer will give a delay of 18
mins.
      Parts List
     -----------
IC1 --- LS7210 digital timer
R1 ---  4.7K Current limiting resistor
R2 --- Timing resistor - Choose value for appropriate delay
C1 --- Timing capacitor - ""                             "" 
SW1 --- SPDT switch - Trigger
SW2 --- DIP switch - 5 place microswitch to set time delay
Q1 --- 2N222 npn transistor 
Assemble the circuit on a universal breadboard to get a feel for the circuit
and to help set the fundemantal delay. You can use 1% metal film resistors 
and a trimming resistor to obtain an accurate delay. Remember to use the same
power source in the tests as you plan to use in practise as the timer is
sensitive to voltage changes. You can obtain an LSB of one hour by using a
47 mfd. capacitor and a resistance of about 70.7 Kohms. If you desire to pre-
set the delay, use a hard wired connection instead of the microswitch.
SW1 the trigger, is set to the positive position, the power is then applied,
and sw1 is thrown to the negative to start the timer.


An idea to use if you want the timer to self-destruct. Wire the delay point
to point without using any sort of pcboard or any other type of board. Use
solid wire to lend the delay some support. Then in a suitable container, put
an appropriate amount of PBX. This is Plastic Bonded Explosive. It is made by
mixing 85% PETN and 15% Polystyrene plastic. The mixture is wet down with 
acetone to blend the ingredients properly. While the explosive is still wet,
insert the delay into the PBX and let it harden. Use the detonator from the
delay to set off the PBX which in turn can set off your main charge. The PBX
will vaporize most of the delay.